HT0104是一款4路双向电平转换器,其使用两个独立的供电VCCA和VCCB。电压较低的电平信号接入A端口,支持1.65V~5.5V电压,其对应VCCA;电压较高的电平信号接入B端口,支持2.3V~5.5V电压,其对应VCCB。
当OE脚拉低时,HT0104进入低功耗模式,所用IO进入高阻状态。
| 价格:¥0.00 | 库存99999 |
数量:
|
特点
| 应用
|


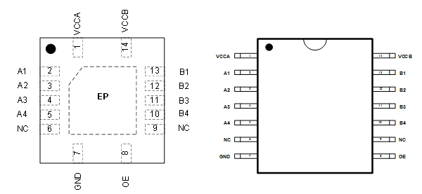
引脚号 | 名称 | I/O | 功能 | |
SQE | MTN | |||
1 | 1 | VCCA | - | A port power supply, 1.65V≤VCCA≤5.5V and VCCA≤ VCCB |
2 | 2 | A1 | I/O | Input/Output A1, referenced to VCCA |
3 | 3 | A2 | I/O | Input/Output A2, referenced to VCCA |
4 | 4 | A3 | I/O | Input/Output A3, referenced to VCCA |
5 | 5 | A4 | I/O | Input/Output A4, referenced to VCCA |
6 | 6 | NC | - | No connection |
7 | 7 | GND | - | Ground |
8 | 8 | OE | I | Pull OE low to place all outputs in Hi-Z. |
9 | 9 | NC | - | No connection |
10 | 10 | B4 | I/O | Input/Output B4, referenced to VCCB |
11 | 11 | B3 | I/O | Input/Output B3, referenced to VCCB |
12 | 12 | B2 | I/O | Input/Output B2, referenced to VCCB |
13 | 13 | B1 | I/O | Input/Output B1, referenced to VCCB |
14 | 14 | VCCB | - | B port power supply, 2.3V≤VCCB≤5.5V |
EP | - | NC | - | No connection |
